زینگ - سامانه جامع حمل و نقل
منو
تماس تلفنی
دانلود زینگ
خانه
اپلیکیشن زینگ
آشنایی و همکاری
● همکاری با ما
● آشنایی با اپلیکیشن و سرویسها
سامانه صادرات و واردات
فروشگاه
خدمات اطلاعاتی
خدمات جانبی
● تأمین لاستیک
اخبار و مقالات
● اخبار زینگ
● زینگ در رسانه ها
● مقالات باربری
● اخبار حمل و نقل، اخبار گمرک
● آشنایی با ماشین های سنگین
● مقالات تجاری و بازرگانی
● دانستنی های صنعتی
● مقالات اقتصادی
● مهاجرت
● شرکت های برتر
تماس با ما
تماس تلفنی
دانلود زینگ
جستجو
مطالب وب سایت
سامانه صادرات واردات تجارت
فروشگاه
خانه
اپلیکیشن زینگ
آشنایی و همکاری
همکاری با ما
آشنایی با اپلیکیشن و سرویسها
سامانه صادرات و واردات
فروشگاه
خدمات اطلاعاتی
خدمات جانبی
تأمین لاستیک
اخبار و مقالات
اخبار زینگ
زینگ در رسانه ها
مقالات باربری
اخبار حمل و نقل، اخبار گمرک
آشنایی با ماشین های سنگین
مقالات تجاری و بازرگانی
دانستنی های صنعتی
مقالات اقتصادی
مهاجرت
شرکت های برتر
تماس با ما
دانستنی های صنعتی
تعریف مولتی ویبراتور مونواستابل با گیت NOT در مدار
مولتی ویبراتور مونواستابل با گیت NOT: همانند مونواستابل گیت NAND بالا، می توان یک مدار زمان بندی مونواستابل ساده دیگر را ایجاد کرد که دنباله زمانی خود را از لبه بالا رونده پالس شروع کند. چنین مداری، با استفاده از گیت های NOT، گیت های NAND و گیت های NOR ایجاد می شود. شکل بالا مولتی ویبراتور مونواستابل با گیت NOT را نشان می دهد که مطابق شکل بالا ....
(ادامه مطلب)
مولتی ویبراتور مونواستابل با گیت NAND
مولتی ویبراتور مونواستابل با گیت NAND: یک مدار مولتی ویبراتور مونواستابل می تواند با استفاده از دو گیت NAND (یا گیت NOR) به صورت شکل زیر ساخته شود. در این مدار گیت های NAND به صورت متقاطع به یکدیگر متصل شده اند. فرض کنید که در ابتدا ورودی تریگر T توسط مقاومتR1 در حالت HIGH یا منطق یک نگه داشته شده باشد. بنابراین، مطابق قواعد گیت NAND، خروجی ....
(ادامه مطلب)
تعریف مولتی ویبراتور (Multivibrator) در مدار
تعریف مولتی ویبراتور (Multivibrator) در مدار: مولتی ویبراتور (Multivibrator) جزو مدارات منطقی ترتیبی (Sequential Logic Circuits) است که به صورت مداوم بین دو حالت مشخص HIGH و LOW نوسان می کند. مدارات منطقی ترتیبی تکی، می توانند در ساخت مدارات پیچیده تر مانند مولتی ویبراتورها، شمارنده ها، شیفت رجیستر ها، لچ ها و حافظه ها مورد استفاده قرار ....
(ادامه مطلب)
تعریف فلیپ فلاپ SR کلاک دار در مدار
تعریف فلیپ فلاپ SR کلاک دار در مدار: پیکربندی دیگری از فلیپ فلاپ های SR، که به فلیپ فلاپ های SR کلاک دار معروف هستند، در شکل زیر نشان داده شده است. با اضافه کردن دو گیت NAND دیگر به مدار فلیپ فلاپ های ساده ذکر شده در بالا، می توان زمان بندی تغییرات خروجی را بعد از تغییر سطوح منطقی R و S، کنترل کرد. عمل کنترل کردن توسط اعمال پالس کلاک به ....
(ادامه مطلب)
تعریف دیاگرام زمان بندی در مدار
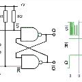
تعریف دیاگرام زمان بندی در مدار: جدول درستی گاهی اوقات راه درستی برای توصیف رفتار یک مدار ترتیبی مانند فلیپ فلاپ SR نیست. در این مواقع استفاده از دیاگرام زمان بندی ایده بهتری است: زیرا نشان می دهد حالت های منطقی در نقاط مختلف در یک مدار در زمان های مختلف چگونه تغیر می کنند. تصویر زیر دیاگرام زمان بندی یک لچ SR را نشان می دهد که نحوه عملکرد ....
(ادامه مطلب)
تعریف لچ RS در مدار
تعریف لچ RS در مدار: فلیپ فلاپ همچنین می تواند به عنوان مدار لچ (Latch) نیز در نظر گرفته شود؛ زیرا این ادوات می توانند یک تغییر در ورودی خود را به خاطر بسپارند و یا اصطلاحا آن حالت را لچ کنند. در شکل زیر یک مدار لچ متداول نشان داده شده است. در این مدار ورودی های¯¯¯¯R و ¯¯¯¯S به ورودی های R و S تغییر پیدا ....
(ادامه مطلب)
تعریف مدار صاف کننده ولتاژ کلیدزنی
تعریف مدار صاف کننده ولتاژ کلیدزنی: استفاده از فلیپ فلاپ های SR در حذف نوسانات ولتاژ ناشی از کلیدزنی بسیار موثر است. شکل زیر مدار مربوط به استفاده از فلیپ فلاپ SR برای تولید پالس های صاف و تمیز را نشان می دهد. زمانی که کلید |SW1 مسیر بالایی را به ولتاژ صفر ولت متصل می کند، ورودی¯¯¯¯Sاز منطق یک به منطق صفر تغییر می کند و ....
(ادامه مطلب)
صاف کننده کلید زنی در مدار
صاف کننده کلید زنی در مدار: در فلیپ فلاپ های SR، پالس های تکراری در ورودی های¯¯¯¯Sیا¯¯¯¯R، بعد از این که پالس اولیه، خروجی Q را ست و یا ریست کرد، دیگر به سادگی نادیده گرفته می شوند. به دلیل همین ویژگی، فلیپ فلاپ های SR برای کاربردهایی نظیر صاف کننده ولتاژ کلیدزنی مورد استفاده قرار می گیرند. هر گاه یک شی ....
(ادامه مطلب)
مشکلات فلیپ فلاپ های SR مدار
مشکلات فلیپ فلاپ های SR مدار: مشکلات خاصی در فلیپ فلاپ های SR به عنوان پایه ای ترین فرم مدارات فلیپ فلاپی، وجود دارند. برای شرایط یک تا چهار در جدول بالا، خروجی¯¯¯¯Qمعکوس خروجیQ است. اما در ردیف پنجم در این جدول، هر دو ورودی دارای حالت صفر منطقی هستند. این ورودی ها باعث می شوند هر دو خروجیQو¯¯¯¯Q در حالت ....
(ادامه مطلب)
تعریف فلیپ فلاپ SR در مدار
تعریف فلیپ فلاپ SR در مدار: فلیپ فلاپ SR یا مدار بای استابل، یکی از اساسی ترین قطعاتی است که ساخت حافظه های کامپیوتری را ممکن ساخت. فلیپ فلاپ ها همچنین در ساخت بسیاری از مدارات منطقی ترتیبی کاربرد دارند. دو گیت منطقی که به صورت داخلی به یکدیگر متصل شده اند، فرم ساده مدارات فلیپ فلاپی را تشکیل می دهند که خروجی آن ها دارای دو حالت پایدار ....
(ادامه مطلب)
تعریف تغییر وضعیت در شمارنده سنکرون
تغییر وضعیت در شمارنده سنکرون: شمارنده های سنکرون از فلیپ فلاپ های حساس به لبه (در لبه ها تغییر وضعیت می دهند.) استفاده می کنند. این فلیپ فلاپ ها می توانند یا در لبه های بالا رونده و یا در لبه های پایین رونده پالس کلاک در ورودی کنترلی، وضعیت خود را تغییر دهند. در نتیجه تغییر حالت سیگنال کلاک ورودی، منجر به شمارش یک عدد می شود. در حالت کلی، ....
(ادامه مطلب)
معرفی شمارنده سنکرون ده دهی چهار بیتی در مدار
معرفی شمارنده سنکرون ده دهی چهار بیتی در مدار: یک شمارنده سنکرون ده دهی چهار بیتی نیز می تواند با استفاده از شمارنده باینری سنکرون برای تولید دنباله شمارش اعداد از 0 تا 9 ساخته شود. به کمک چند وسیله منطقی اضافی (برای پیاده سازی دنباله حالت های مطلوب)، می توان یک شمارنده باینری استاندارد را به یک شمارنده ده دهی تبدیل کرد. در این شمارنده، بعد از ....
(ادامه مطلب)
معرفی شمارنده سنکرون (Synchronous Counter) در مدار
معرفی شمارنده سنکرون (Synchronous Counter) در مدار: شمارنده سنکرون (Synchronous Counter) را می توان جزو پرکاربردترین مدارات منطقی به حساب آورد. در یک شمارنده سنکرون ورودی کلاک تمام فلیپ فلاپ ها در یک لحظه زمانی و توسط یک سیگنال کلاک یکسان تغذیه می شوند. در این مطلب به بیان نحوه کار شمارنده های سنکرون می پردازیم. در شمارنده های باینری آسنکرون، ....
(ادامه مطلب)
تعریف مقسم فرکانسی در مدار
تعریف مقسم فرکانسی در مدار: این توانایی شمارنده های موجی که می توانند دنباله های منقطع را بشمارند و یک خروجی تقسم شده بر n را تولید کنند، شمارنده ها و مخصوصا شمارنده های موجی را برای کاربردهای مقسم فرکانسی بسیار کارا می کند. در واقع با این ادوات می توان فرکانس ورودی بسیار بالای پالس کلاک را به مقدار پایین تری تبدیل کرد تا در کلاک های دیجیتال و ....
(ادامه مطلب)
تعریف شمارنده آسنکرون ده دهی در مدار
تعریف شمارنده آسنکرون ده دهی در مدار: اگر یک شمارنده آسنکرون با MOD 16 را انتخاب کنیم و آن را با گیت های منطقی اضافی اصلاح کنیم، می توانیم به خروجی شمارنده دهدهی (مدار مقسم بر ده) دست یابیم و از آن در شمارنده های دسیمال استاندارد و مدارات حسابی (Arithmetic) استفاده کنیم. این شمارنده ها معمولا تحت عنوان شمارنده های ده دهی (Decade Counter) شناخته ....
(ادامه مطلب)
تعریف شمارنده آسنکرون در مدار
تعریف شمارنده آسنکرون در مدار: شمارنده آسنکرون (Asynchronous Counter) از فلیپ فلاپ هایی که به صورت سری به یکدیگر متصل شده اند، بهره می گیرد تا بتواند پالس کلاک ورودی را به صورت موجی در طول شمارنده حرکت دهد. در این مطلب به بیان اصول کاری شمارنده های آسنکرون می پردازیم. یک شمارنده آسنکرون می تواند2n−1 حالت شمارش محتمل داشته باشد. به عبارت ....
(ادامه مطلب)
تعریف شمارنده دو جهته در مدار الکترونیک
تعریف شمارنده دو جهته در مدار الکترونیک: شمارنده دو جهته (Bidirectional Counter) دارای این توانایی است که برای هر دنباله داده شده، هم به صورت بالا شمار (Up Direction) و هم به صورت پایین شمار (Down Direction) شمارش را انجام دهد. در این مطلب قصد داریم به بررسی یک شمارنده دو جهته بپردازیم و با اصول و نحوه کار آن آشنا شویم. بر خلاف شمارش رو به ....
(ادامه مطلب)
مقاومت های محدود کننده جریان در مدار
مقاومت های محدود کننده جریان در مدار: مقاومت های محدود کننده جریان را به دو روش زیر می توان در مدار متصل کرد. مقاومت تکی: در این حالت، از یک مقاومت تکی محدود کننده جریان (R) به صورت سری در مدار استفاده می شود. اگر در طراحی مدار نگرانی خاصی از بابت روشنایی ثابت نمایشگر وجود نداشته باشد، این روش اتصال مقاومت های محدود کننده جریان، آسان ترین و ....
(ادامه مطلب)
استفاده از نمایشگر سون سگمنت در شمارنده BCD
استفاده از نمایشگر سون سگمنت در شمارنده BCD: خوشبختانه در حال حاضر امکان استفاده از آی سی های از پیش طراحی شده وجود دارد که این آی سی ها به عنوان دیکودر اتصال BCD به نمایشگر سون سگمنت عمل می کنند. 74LS47 نمونه ای از چنین آی سی هایی به شمار می آید. این آی سی دارای چهار ورودی برای ارقام BCD از A تا D و نیز خروجی متناظر برای هر یک از سگمنت های یک ....
(ادامه مطلب)
تعریف شمارنده 74LS90 BCD در صنعت دیجیتال
تعریف شمارنده 74LS90 BCD در صنعت دیجیتال: مدار مجتمع 74LS90 در واقع یک شمارنده ده دهی یا MOD-10 است که یک کد خروجی BCD تولید می کند. 74LS90 از چهار فلیپ فلاپ JK Master-Slave تشکیل شده است که به صورت داخلی به یکدیگر متصل شده اند و یک شمارنده MOD-2 (شمارش تا 2) و یک شمارنده MOD-5 (شمارش تا 5) را ایجاد می کنند. 74LS90 دارای یک فلیپ فلاپ JK مستقل ....
(ادامه مطلب)
تعریف شمارنده BCD در صنعت دیجیتال
تعریف شمارنده BCD در صنعت دیجیتال: شمارنده BCD یک نوع ویژه از شمارنده های دیجیتال محسوب می شود که با استفاده از پالس کلاک، می تواند تا عدد 9 بشمارد. یک فلیپ فلاپ نوع T می تواند در ایجاد شمارنده های مقسم بر دو مورد استفاده قرار گیرد. اما اگر چند عدد فلیپ فلاپ نوع T را به صورت یک زنجیره سری به یکدیگر متصل کنیم، آن گاه می توانیم یک شمارنده ....
(ادامه مطلب)
طبقه بندی انواع سیستم فیدبک در الکترونیک
طبقه بندی انواع سیستم فیدبک در الکترونیک: تا این قسمت، با نحوه بازخورد سیگنال خروجی به سیگنال ورودی آشنا شدیم. برای سیستم های فیدبک این بازخورد می تواند یا مثبت و یا منفی باشد. اما روش انجام اندازه گیری سیگنال خروجی و معرفی این سیگنال به پورت ورودی مدار می تواند بسیار متنوع باشد و به همین دلیل سیستم های فیدبک به چهار گروه اساسی طبقه بندی می ....
(ادامه مطلب)
تعریف فیدبک منفی در الکترونیک
تعریف فیدبک منفی در الکترونیک: در یک سیستم کنترل فیدبک منفی، نقطه تنظیم و خروجی از یکدیگر کسر می شوند و به همین دلیل است که فیدبک دارای فاز مخالف با ورودی اصلی است. تأثیر فیدبک منفی یا فرسایشی (Degenerative) کاهش بهره مدار است. این پدیده همانند این است که اگر به یک فرد انتقاد شود، او ناراحت می شود و سطح انرژی اش کاهش می یابد. به دلیل این که ....
(ادامه مطلب)
سیستم های فیدبک مثبت
سیستم های فیدبک مثبت: در یک سیستم کنترل فیدبک مثبت، نقطه تنظیم (Set Point) و سیگنال خروجی توسط کنترل کننده به یکدیگر اضافه می شوند، در نتیجه فیدبک هم فاز با ورودی است. تأثیر فیدبک مثبت و یا احیاکننده (Regenerative) افزایش بهره سیستم است. به عبارت دیگر در یک سیستم با فیدبک مثبت، بهره کلی بالاتر از حالتی است که به سیستم فیدبک اعمال نشده ....
(ادامه مطلب)
1
2
3
4
5
6
7
8
9
10
11
12
13
14
15
16
17
18
19
20
21
22
23
24
25
26
27
28
29
30
31
32
33
34
35
36
37
38
39
40
41
42
43
44
45
46
47
48
49
50
51
52
53
54
55
56
57
58
59
60
61
62
63
64
65
66
67
68
69
70
71
72
73
74
75
76
77
78
79
80
81
82
83
84
85
86
87
88
89
90
91
92
93
94
95
96
97
98
99
100
101
102
103
104
105
106
107
108
109
110
111
112
113
114
115
116
117
118
119
120
121
122
123
124
125
126
127
128
129
130
131
132
133
134
135
136
137
138
139
140
141
142
143
144
145
146
147
148
149
150
151
152
153
154
155
156
157
158
159
160
161
162
163
164
165
166
167
168
169
170
171
172
173
174
175
176
177
178
179
180
181
182
183
184
185
186
187
188
189
190
191
192
193
194
195
196
197
198
199
200
201
202
203
204
205
206
207
208
209
210
211
212
213
214
215
216
217
218
219
220
221
222
223
224
225
226
227
228
229
230
231
232
233
234
235
236
237
238
239
240
241
242
243
244
245
246
247
248
249
250
251
252
253
254
255
256
257
258
259
260
261
262
263
264
265
266
267
268
269
270
271
272
273
274
275
276
277
278
279
280
281
282
283
284
285
286
287
288
289
290
291
292
293
294
295
296
297
298
299
300
301
302
303
304
305
306
307
308
309
310
311
312
313
314
315
316
317
318
319
320
321
322
323
324
325
326
327
328
329
330
331
332
333
334
335
336
337
338
339
340
341
342
343
344
345
346
347
348
349
350
351
352
353
354
355
356
357
358
359
360
361
362
363
364
365
366
367
368
369
370
371
372
373
374
375
376
377
378
379
380
381
382
383
384
385
386
387
388
389
390
391
392
393
394
395
396
397
398
399
400
401
402
403
404
405
406
407
408
409
410
411
412
413
414
415
416
417
418
419
420
421
422
423
424
425
426
427
428
429
430
431
432
433
434
435
436
437
438
439
440
441
442
443
444
445
446
447
448
449
450
451
452
453
454
455
456
457
458
459
460
461
462
463
464
465
466
467
468
469
470
471
472
473
474
475
476
477
478
479
480
481
482
483
484
485
486
487
488
489
490
491
492
493
494
495
496
497
498
499
500
501
502
503
504
505
506
507
508
509
510
511
512
513
514
515
516
517
518
519
520
521
522
523
524
525
526
527
528
529
530
531
532
533
534
535
536
537
538
539
540
541
542
543
544
545
546
547
548
549
550
551
552
553
554
555
556
557
558
559
560
561
562
563
564
565
566
567
568
569
570
571
572
573
574
575
576
577
578
579
580
581
582
583
584
585
586
587
588
589
590
591
592
593
594
595
596
597
598
599
600
601
602
603
604
605
606
607
608
609
610
611
612
613
614
615
616
617
618
619
620
621
622
623
624
625
626
627
628
629
630
631
632
633
634
635
636
637
638
639
640
641
642
643
644
645
646
647
648
649
650
651
652
653
654
655
656
657
658
659
660
661
662
663
664
665
666
667
668
669
670
671
672
673
674
675
676
677
678
679
680
681
682
683
684
685
686
687
688
689
690
691
692
693
694
695
696
697
698
699
700
701
702
703
704
705
706
707
708
709
710
711
712
713
714
715
716
717
دانلود اپلیکیشن زینگ
فروشگاه آنلاین ماشین سنگین
باربری آنلاین
حمل و نقل اینترنتی
بارنامه و بیمه نامه
اخبار حمل و نقل
محاسبه شماره شبا
استعلام کارت هوشمند
استعلام کارت سلامت
معاینه فنی کامیون و تریلی
لغتنامه باربری و حمل و نقل
بازرگانی کیمیا تبلیغ
نماد اعتماد الکترونیک
نشان ملی ثبت
گواهی شامد ارشاد
©
کلیه حقوق مادی و معنوی این وب سایت متعلق به داده پردازان هومان پویان می باشد.
مخفی کردن >>