زینگ - سامانه جامع حمل و نقل
منو
تماس تلفنی
دانلود زینگ
خانه
اپلیکیشن زینگ
آشنایی و همکاری
● همکاری با ما
● آشنایی با اپلیکیشن و سرویسها
سامانه صادرات و واردات
فروشگاه
خدمات اطلاعاتی
خدمات جانبی
● تأمین لاستیک
اخبار و مقالات
● اخبار زینگ
● زینگ در رسانه ها
● مقالات باربری
● اخبار حمل و نقل، اخبار گمرک
● آشنایی با ماشین های سنگین
● مقالات تجاری و بازرگانی
● دانستنی های صنعتی
● مقالات اقتصادی
● مهاجرت
● شرکت های برتر
تماس با ما
تماس تلفنی
دانلود زینگ
جستجو
مطالب وب سایت
سامانه صادرات واردات تجارت
فروشگاه
خانه
اپلیکیشن زینگ
آشنایی و همکاری
همکاری با ما
آشنایی با اپلیکیشن و سرویسها
سامانه صادرات و واردات
فروشگاه
خدمات اطلاعاتی
خدمات جانبی
تأمین لاستیک
اخبار و مقالات
اخبار زینگ
زینگ در رسانه ها
مقالات باربری
اخبار حمل و نقل، اخبار گمرک
آشنایی با ماشین های سنگین
مقالات تجاری و بازرگانی
دانستنی های صنعتی
مقالات اقتصادی
مهاجرت
شرکت های برتر
تماس با ما
دانستنی های صنعتی
انواع شیوه های مداخله ساختمان
جالب است بدانید که مهم ترین مفاهیم به کاررفته در مرمت شامل نوسازی، بهسازی و بازسازی است که روی هم مداخله را معنا می کنند. بهسازی سلسله اقداماتی که به منظور بهبود کالبد در کوتاه مدت صورت می گیرد و شامل چهار اقدام تعمیرات، حفاظت، حمایت و استحکام بخشی بوده که روی هم رفته مفهوم فیزیکی بهسازی را معنی می کنند. فعالیت بهسازی باهدف استفاده از ....
(ادامه مطلب)
تفاوت بهسازی با نوسازی ساختمان
به طورکلی خیلی از افراد و حتی مهندسین تازه کار تفاوتی بین این دو مسئله قائل نبوده و غالباً فکر می کنند که بهسازی با بازسازی یک مفهوم می باشد؛ اما جدا از شبیه بودن اسم این دو بخش با یکدیگر در نوع کار و هسته ی اصلی کاری به شدت با یکدیگر تفاوت های اساسی دارند. به طور خلاصه می توان مطرح کرد که بهسازی که خیلی وقت ها از طرف افراد عموم جامعه و یا ....
(ادامه مطلب)
مفروزات ساختمان
در نقشه شهرداری و طراحی داخلی آپارتمان، چه تجاری و چه مسکونی، تراس و بالکن روباز و مسقف، پارکینگ اختصاصی و انباری اختصاصی جزء مفروزات آپارتمان به شمار می روند؛ بنابراین برای مترکشی و محاسبه زیر بنای یک ساختمان فضای بین دیوارها را باید در نظر بگیریم. در نقشه شهرداری دیواری که بین آپارتمان و فضاهای مشاع قرار گرفته باشد جزء مفروزات محسوب می ....
(ادامه مطلب)
مشاعات ساختمان
به طور کلی به قسمت های مشترک ساختمان در اصطلاح قانونی مشاع گفته می شود. منظور از قسمت های مشترک، قسمت هایی از ساختمان است که حق استفاده از آن منحصر به یک یا چند آپارتمان نیست بلکه به تمامی مالکین به نسبت قسمت اختصاصی آن ها تعلق می گیرد. درواقع عرصه ساختمان، راهرو، پله و پاگرد که در خارج از قسمت های اختصاصی قرار گرفته است، محل اختتام پله و ....
(ادامه مطلب)
انواع لامپ های رایج در صنعت الکترونیک
انواع لامپ های رایج در صنعت الکترونیک: در این بخش، چند نوع لامپ را معرفی می کنیم که استفاده از آن ها رایج تر است. لامپ رشته ای: «لامپ های رشته ای» (Incandescent Bulbs) همان لامپ های معمولی و سنتی هستند. در یک لامپ رشته ای، رشته ای از تنگستن وجود دارد و هنگامی که جریان از آن عبور می کند باعث درخشش آن می شود و لامپ را اصطلاحاً روشن می ....
(ادامه مطلب)
چگونه یک فیوز مناسب انتخاب کنیم؟
چگونه یک فیوز مناسب انتخاب کنیم؟ یک قاعده سرانگشتی برای انتخاب فیوز این است که توان دستگاه مورد نظری را که می خواهیم از آن محافظت کنیم، بر ولتاژ کاری آن تقسیم کرده و جریان آن را به دست آوریم، سپس این مقدار را در 1٫25 ضرب کنیم. مراحل انتخاب فیوز به صورت زیر است: یک فیوز را بسته به کاربرد مورد نظر انتخاب کنید؛ مثلاً فیوزهای دارای تأخیر برای ....
(ادامه مطلب)
فیوز چگونه کار می کند؟
فیوز چگونه کار می کند؟ فیوز (Fuse) قطعه ای است که برای حفاظت لوازم برقی مانند تلویزیون، یخچال، کامپیوتر و… در برابر آسیب های ناشی از تغییرات الکتریکی ناگهانی و غیرمعمول مورد استفاده قرار می گیرد. این قطعه حفاظتی از یک نوار نازک یا رشته فلزی درون یک محفظه تشکیل شده است که عبور جریان زیاد از آن موجب ذوب شدن و در نتیجه باز شدن مدار از منبع ....
(ادامه مطلب)
انواع مقره ها از نظر کاربرد
انواع مقره ها از نظر کاربرد: انواع مقره ها از نظر کاربرد، عبارتند از: مقره های اتکایی برای عایق کاری باس بارها در پست های برق و تابلوها، مقره های عبوری یا بوشینگ ها برای عبور باس بارها، از دیواره ها یا بدنه تجهیزات الکتریکی نظیر ترانسفورماتورها، کلیدها، خازن ها، مقره های مهار و مقره های کششی. مقره اتکایی: مقره های اتکایی به صورت استوانه هایی ....
(ادامه مطلب)
انواع مقره ها از نظر جنس
انواع مقره ها از نظر جنس: مقره هایی که در معرض هوای آزاد مورد استفاده قرار می گیرند از جنس چینی، شیشه و اخیراً مواد کامپوزیت هستند. در ادامه، این مقره ها را معرفی خواهیم کرد. مقره چینی: امروزه، چینی (Porcelain) پرکاربردترین ماده مورد استفاده برای مقره های هوایی است. چینی از جنس آلومینیوم سیلیکات (Aluminium Silicate) است. آلومینیوم سیلیکات با ....
(ادامه مطلب)
تعریف مقره در الکترونیک
تعریف مقره در الکترونیک: در سیستم های قدرت، از مقره الکتریکی (Electrical Insulator) برای جلوگیری از گذر جریان های ناخواسته به زمین استفاده می شود. مقره نقش مهمی در سیستم های الکتریکی ایفا می کند. در حقیقت، مقره یک مسیر بسیار مقاومتی است که عملاً جریانی از آن عبور نمی کند. در سیستم انتقال و توزیع، هادی های هوایی عموماً روی دکل ها یا تیرها قرار ....
(ادامه مطلب)
تعریف کانورتر پالسی (Pulse Converter) در صنعت برق
تعریف کانورتر پالسی (Pulse Converter) در صنعت برق: یک «کانورتر کنترل شده با فاز» (Phase Controlled Converter) قادر است انرژی AC را به انرژی DC تبدیل کند. به عبارت دیگر، از یک کانورتر کنترل شده با فاز در تبدیل توان AC با فرکانس ثابت و نیز ولتاژ ثابت به یک خروجی ولتاژ DC متغیر استفاده می شود. در نتیجه می توان گفت ورودی ثابت از نوع ....
(ادامه مطلب)
مزایای رله کنترل فاز
مزایای رله کنترل فاز: مهم ترین مزایای رله کنترل فاز عبارتند از: عمر موتور را افزایش می دهد. هزینه های تعمیر و نگهداری موتورها را کاهش می دهد. وقفه های ناشی از خرابی موتور را به حداقل می رساند. هنگام اتصال کوتاه سیم پیچ موتور، از خطر برق گرفتگی یا آتش سوزی جلوگیری می کند. ایمنی مدار الکتریکی را افزایش می دهد. باعث صرفه جویی در فضای تابلو ....
(ادامه مطلب)
معرفی انواع رله کنترل فاز
انواع رله کنترل فاز: رله کنترل فاز انواع مختلفی دارد که هر کدام عملکردهای حفاظتی خاصی را ارائه می کنند. در ادامه، به بعضی از آن ها اشاره می کنیم. رله عدم تعادل فاز: اگر منبع تغذیه توسط سیستم سه فاز به دلیل توزیع نامقارن بار نامتعادل شود، موتور قسمتی از انرژی را به توان راکتیو تبدیل می کند و این انرژی بدون بهره برداری از بین می رود. همچنین ....
(ادامه مطلب)
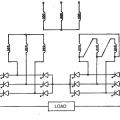
تعریف رله کنترل فاز در صنعت برق
رله کنترل فاز چیست؟ اگر مصرف کننده نهایی انرژی الکتریکی را به خوبی مدیریت نکند، ممکن است تلفات و مشکلات جدی برای بارها و کاربر ایجاد شود. با افزایش استفاده از برق در خانه ها و صنایع، حفاظت کافی از تجهیزات خانه ها، صنایع و هر وسیله دیگری که از برق استفاده می کند، ضروری است. بنابراین، استفاده از یک رله کنترل فاز برای حفاظت از طول عمر و کارایی ....
(ادامه مطلب)
فرمول های ساده برای محاسبه متراژ ساختمان
همان طور که قبلاً اشاره کردیم املاک بی قاعده را می توان به شکل های هندسی ساده ای تقسیم بندی کرد که در همین راستا می توان اضلاع هر یک از این شکل ها را اندازه گیری و مساحت آن ها را طبق فرمول های ساده زیر محاسبه کرد: مساحت اشکال مربعی با ضلع a برابر است با a×a مساحت اشکال مستطیلی با ضلع های a و b برابر است با a×b مساحت اشکال ....
(ادامه مطلب)
محاسبه راه پله
محاسبه راه پله به طور کلی نحوه محاسبه مساحت راه پله به صورتی می باشد که شامل محاسبه مساحت راه پله از پشت دیوار جانبی تا آکس دیوارهای داخلی به همراه محاسبه مساحت راه پله آکس به آکس دیوارها است. به طور کلی در زیر بنای املاکی که شکل هندسی مشخصی ندارند، باید خانه را به چندین شکل و بدون زائده جداگانه تقسیم بندی نمود و سپس با هم جمع کرد.برای ....
(ادامه مطلب)
انواع پو پی اس
پو پی اس بر اساس نوع کاربری و مکان مورداستفاده به سه دسته کلی تقسیم می شوند که این موارد شامل: یو پی اس آفلاین یو پی اس آفلاین یک نوع از یو پی اس می باشد که دارای یک دستگاه مصرف کننده می باشد که به شکل مستقیم با برق شهری متصل است و زمانی که شما دچار قطعی برق شوید این دستگاه فعال خواهد شد. درواقع این دسته از UPS ها هنگام قطع برق و به عنوان ....
(ادامه مطلب)
ساختار دستگاه یو پی اس
به طورکلی دستگاه یو پی اس از اجزای مختلفی تشکیل شده است که ممکن است در انواع مختلف این نوع از دستگاه ها تفاوت هایی داشته باشند؛ بنابراین شناخت این اجزاء و کارکرد هرکدام از آن ها به شما کمک خواهد کرد تا راحت تر با نحوه ی کار آن آشنا شده و با توجه به نیاز های خود، انتخاب بهتری نیز از فروشگاه های معتبر داشته باشید. از طرفی در این بخش ما تنها ....
(ادامه مطلب)
تفاوت اصلی منابع تغذیه ی بی وقفه آنلاین با انواع آفلاین
به طورکلی می توان مطرح کرد که تقریباً تمام دستگاه ها برای انجام فعالیت، نیاز به انرژی الکتریکی یا همان برق دارند و چنانچه حتی برای چند دهم ثانیه فرآیند برق رسانی به این دستگاه ها قطع شود، آن ها بلافاصله از کار می افتند. این موضوع بعضاً می تواند باعث ایجاد اختلال در انجام کارهای بسیار حیاتی و یا از دست رفتن منابع و اطلاعات مهم گردد. بنابراین ....
(ادامه مطلب)
کاربردهای گسترده یو پی اس
به طورکلی جالب است بدانید که یو پی اس ها دارای کاربردهای متنوع و گسترده ای می باشد که در بخش ذیل به برخی از کاربردهای عمده آن اشاره می کنیم: یو پس اس در منازل به طورکلی می توان از یو پی اس های کوچک جهت تأمین روشنایی و برق تجهیزات الکترونیکی تلویزیون، کامپیوتر و پکیج ها و... استفاده نمود. همچنین همان طور که قبلاً اشاره شد قطع و وصل ناگهانی ....
(ادامه مطلب)
نکاتی در باب خرید یو پی اس مناسب
به طورکلی یو پی اس ها بر اساس شکل مدار، توان و ظرفیت باتری در انواع مختلفی تولید می شوند که همین مسئله نیز عاملی برای قیمت های متنوع این نوع از دستگاه ها است؛ بنابراین یادگیری نکاتی در باب خرید یو پی اس مناسب می تواند نقش بسیار بااهمیتی در یک خرید رضایت بخش داشته باشد. با توجه به همین مسئله می توان مشخصه های مهم در باب خرید این نوع از دستگاه ....
(ادامه مطلب)
انواع دستگیره کابینت ازنظر مدل
انتخاب مدل دستگیره، یک انتخاب بر اساس معیارهای زیبایی شناسی و سلیقه است. مهم ترین نکته در انتخاب مدل دستگیره کابینت همخوانی آن با استایل کلی کابینت ها و طراحی دکوراسیون داخلی است. بسته به اینکه سبک طراحی داخلی خانه شما، ترکیب رنگی و غیره چه باشد، می توانید مدل مناسب دستگیره های کابینت را انتخاب کنید. به صورت کلی انواع مدل های دستگیره های ....
(ادامه مطلب)
انواع دستگیره کابینت ازنظر طرح
بعدازاینکه تصمیم خودتان مبنی بر انتخاب نوع خطی یا دکمه ای دستگیره را اتخاذ کردید، باید در مورد طرح یا شکل کلی دستگیره فکر کنید. به صورت کلی انواع دستگیره کابینت یا شکل مستطیلی و زاویه دار دارند، یا منحنی و مورب. انتخاب نوع مستطیلی یا منحنی دستگیره ها در وهله اول بیشتر از هر چیز به استایل و پلان کابینت های آشپزخانه شما بستگی دارد. اگر کابینت ....
(ادامه مطلب)
انواع دستگیره های کابینت
هر دستگیره کابینت یک رخ جدید به کابینت ها می دهد. اگر به این انتخاب برسید خواهید دید که حتی دو دستگیره ساده که فرق کمی با هم دارند، می توانند تغییرات زیادی در ظاهر کابینت های شما ایجاد کنند.دوتا از مهم ترین ویژگی هایی که برای انتخاب دستگیره باید مدنظر قرار دهید یکی عامل کاربرد است و دیگری عامل زیبایی. بسیاری از افراد صرفاً به جهت زیبایی ....
(ادامه مطلب)
1
2
3
4
5
6
7
8
9
10
11
12
13
14
15
16
17
18
19
20
21
22
23
24
25
26
27
28
29
30
31
32
33
34
35
36
37
38
39
40
41
42
43
44
45
46
47
48
49
50
51
52
53
54
55
56
57
58
59
60
61
62
63
64
65
66
67
68
69
70
71
72
73
74
75
76
77
78
79
80
81
82
83
84
85
86
87
88
89
90
91
92
93
94
95
96
97
98
99
100
101
102
103
104
105
106
107
108
109
110
111
112
113
114
115
116
117
118
119
120
121
122
123
124
125
126
127
128
129
130
131
132
133
134
135
136
137
138
139
140
141
142
143
144
145
146
147
148
149
150
151
152
153
154
155
156
157
158
159
160
161
162
163
164
165
166
167
168
169
170
171
172
173
174
175
176
177
178
179
180
181
182
183
184
185
186
187
188
189
190
191
192
193
194
195
196
197
198
199
200
201
202
203
204
205
206
207
208
209
210
211
212
213
214
215
216
217
218
219
220
221
222
223
224
225
226
227
228
229
230
231
232
233
234
235
236
237
238
239
240
241
242
243
244
245
246
247
248
249
250
251
252
253
254
255
256
257
258
259
260
261
262
263
264
265
266
267
268
269
270
271
272
273
274
275
276
277
278
279
280
281
282
283
284
285
286
287
288
289
290
291
292
293
294
295
296
297
298
299
300
301
302
303
304
305
306
307
308
309
310
311
312
313
314
315
316
317
318
319
320
321
322
323
324
325
326
327
328
329
330
331
332
333
334
335
336
337
338
339
340
341
342
343
344
345
346
347
348
349
350
351
352
353
354
355
356
357
358
359
360
361
362
363
364
365
366
367
368
369
370
371
372
373
374
375
376
377
378
379
380
381
382
383
384
385
386
387
388
389
390
391
392
393
394
395
396
397
398
399
400
401
402
403
404
405
406
407
408
409
410
411
412
413
414
415
416
417
418
419
420
421
422
423
424
425
426
427
428
429
430
431
432
433
434
435
436
437
438
439
440
441
442
443
444
445
446
447
448
449
450
451
452
453
454
455
456
457
458
459
460
461
462
463
464
465
466
467
468
469
470
471
472
473
474
475
476
477
478
479
480
481
482
483
484
485
486
487
488
489
490
491
492
493
494
495
496
497
498
499
500
501
502
503
504
505
506
507
508
509
510
511
512
513
514
515
516
517
518
519
520
521
522
523
524
525
526
527
528
529
530
531
532
533
534
535
536
537
538
539
540
541
542
543
544
545
546
547
548
549
550
551
552
553
554
555
556
557
558
559
560
561
562
563
564
565
566
567
568
569
570
571
572
573
574
575
576
577
578
579
580
581
582
583
584
585
586
587
588
589
590
591
592
593
594
595
596
597
598
599
600
601
602
603
604
605
606
607
608
609
610
611
612
613
614
615
616
617
618
619
620
621
622
623
624
625
626
627
628
629
630
631
632
633
634
635
636
637
638
639
640
641
642
643
644
645
646
647
648
649
650
651
652
653
654
655
656
657
658
659
660
661
662
663
664
665
666
667
668
669
670
671
672
673
674
675
676
677
678
679
680
681
682
683
684
685
686
687
688
689
690
691
692
693
694
695
696
697
698
699
700
701
702
703
704
705
706
707
708
709
710
711
712
713
714
715
716
717
دانلود اپلیکیشن زینگ
فروشگاه آنلاین ماشین سنگین
باربری آنلاین
حمل و نقل اینترنتی
بارنامه و بیمه نامه
اخبار حمل و نقل
محاسبه شماره شبا
استعلام کارت هوشمند
استعلام کارت سلامت
معاینه فنی کامیون و تریلی
لغتنامه باربری و حمل و نقل
بازرگانی کیمیا تبلیغ
نماد اعتماد الکترونیک
نشان ملی ثبت
گواهی شامد ارشاد
©
کلیه حقوق مادی و معنوی این وب سایت متعلق به داده پردازان هومان پویان می باشد.
مخفی کردن >>